-
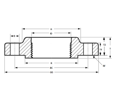
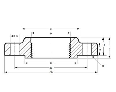
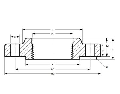
Mar 12, 2024ASME B16.5 Mặt bích có ren loại 2500 inchLỚP CÓ REN 2500 Kích thước mặt bích có ren loại 2500 inch (ASME B16.5) Đối với Mặt bích có ren ASME B16.5, kích thước có thể thay đổi dựa trên kích thước ống danh nghĩa (NPS) và lo -
Mar 12, 2024ASME B16.5 Mặt bích có ren loại 1500 inchLỚP CÓ REN 1500 Kích thước mặt bích có ren loại 1500 inch (ASME B16.5) Đối với Mặt bích có ren ASME B16.5, kích thước có thể thay đổi dựa trên kích thước ống danh nghĩa (NPS) và lo -
Mar 12, 2024ASME B16.5 Mặt bích có ren loại 900 inchLỚP CÓ REN 900 Kích thước mặt bích có ren loại 900 inch (ASME B16.5) Mặt bích có ren loại 900: Kích thước ống danh nghĩa (NPS): Phạm vi từ 1/2 inch (DN 15) đến 24 inch (DN 600) và -
Mar 12, 2024ASME B16.5 Mặt bích có ren loại 600 inchLỚP REN 600 Kích thước mặt bích có ren loại 600 inch (ASME B16.5) Đối với mặt bích có ren ASME B16.5 trong Loại 600, kích thước có thể thay đổi dựa trên kích thước ống danh nghĩa ( -
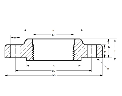
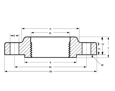
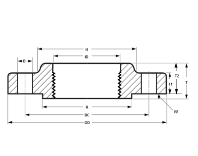
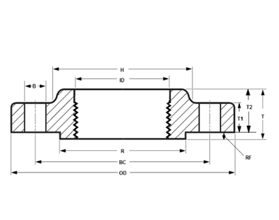
Mar 12, 2024Kích thước của mặt bích cổ hàn loại 2500Dưới đây là các kích thước gần đúng cho Mặt bích cổ hàn loại 2500 theo tiêu chuẩn ASME B16.5, tính bằng inch: Kích thước ống danh nghĩa (NPS): Phạm vi từ 1/2 inch (DN 15) đến 24 in -
Mar 12, 2024Kích thước của mặt bích cổ hàn loại 1500Dưới đây là các kích thước gần đúng cho Mặt bích cổ hàn loại 1500 theo tiêu chuẩn ASME B16.5, tính bằng inch: Kích thước ống danh nghĩa (NPS): Phạm vi từ 1/2 inch (DN 15) đến 24 in -
Mar 12, 2024Kích thước của mặt bích cổ hàn loại 900Kích thước mặt bích cổ hàn loại 900 tuân thủ các tiêu chuẩn ASME B16.5 và chúng thay đổi dựa trên kích thước ống danh nghĩa (NPS) của mặt bích. Dưới đây là các kích thước chung cho -
Mar 12, 2024Kích thước của mặt bích cổ hàn loại 600Kích thước mặt bích cổ hàn loại 600, theo tiêu chuẩn ASME B16.5, thay đổi dựa trên kích thước ống danh nghĩa (NPS) của mặt bích. Dưới đây là các kích thước chung cho Mặt bích cổ hà -
Mar 12, 2024Kích thước của mặt bích cổ hàn loại 400Kích thước mặt bích cổ hàn loại 400 tuân theo tiêu chuẩn ASME B16.5 và giống như các loại áp suất khác, kích thước sẽ thay đổi tùy thuộc vào kích thước ống danh nghĩa (NPS) của mặt








